XT-SS-1D皮帶打滑檢測器防打滑保護裝置
由于產品型號眾多,我司各種電氣規格型號齊全,有任何需求可以與我公司銷售人員聯系,生產各種規格型號的跑偏開關、拉繩開關、傾斜開關、打滑開關、失速開關、溜槽堵塞開關、聲光報警器、限位開關、磁性開關、撕裂開關、料流開關等產品,產品適用范圍廣,用途多,產品銷售國內外100多個國家和地區,銷售電話:15163766288(微信同號)
耗率:< 3VA; ·輸出形式:晶體管輸出;
XT-SS-1B 用于48VDC輸入電壓等級
·速度檢測器轉動無方向限制,正反向轉動均可。
所屬類別:打滑開關 > 打滑檢測器
XT-SS-2 雙速皮帶速度檢測器,適用于雙速皮帶,打滑開關HQZS-001SPT/D是一種費用低。可靠性強、對軸轉速及其他旋轉裝置簡單通用的監測裝置。打滑開關放置在防風雨的密封、抗腐蝕外殼內,允許暴露在惡劣環境中工作。非接觸接近探測器,壽命長、維護費用低.兩螺栓固定,確保安裝簡單一體化結構,集中的控制裝置,設定或故障檢修簡單無運動部件、無磨損、安全壽命長。打滑開關啟動延遲,旋轉設備起動過程中尚未達到工作速度時,10秒鐘延遲報警。,可預設兩個動作檢測報警點。
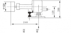
XT-SS-1D皮帶打滑檢測器
防護等級:IP67;
XT-SS--1單速打滑開關可供選擇的型號︰ XT-SS-1A 用于DC24V輸入電壓等級
我公司專業生產雙向拉繩開關、兩級跑偏開關、打滑開關、縱向撕裂開關、料流檢測器、溜槽堵塞檢測器、速度檢測器、欠速開關、堵煤開關、煤流開關、拉線開關等工控電器。
采用二線制傳輸,無需單獨供電,傳輸距離可達2 公里;
XT-SS-1D打滑檢測裝置用于帶式輸送機運行中膠帶與主動滾桶出現打滑(失速)故障。可防止由于打滑所造成的嚴重事故的發生。本機還可以用于多條帶式輸送機的連鎖啟動和停機,低速抱閘或炒熟保護等,產品名稱:打滑檢測器,打滑開關,皮帶機專用打滑開關,輸送帶速度檢測器可用于DH02E-1-WW輸送皮帶運行速度的監測,當被監測的運輸皮帶的運行速度低于預先設定值時,它能發出報警或停機信號,可有效地避免事故的發生和擴大。打滑開關可應用于冶金、煤炭、礦山、水泥、電力、糧食等行業的皮帶運輸機中,是物料輸送系統中實現自動控制所不可缺少的監控裝置。,打滑開關HQZS-001SPT/D工作原理盤隨膠帶運行而旋轉時,傳感器的磁感應信號輸入到控制電路中去,經放大、整形后進行計數。其計數值與預置數比較,判斷膠帶機的帶速,即:正常速度、打滑或超速等。同時,執行電路輸出相應的開關信號。當觸輪隨膠帶機運行而旋轉時帶動機內的脈沖盤,在脈沖盤旋轉時引起的磁感應信號的變化輸入到速度傳感器的控制電路中,經電路放大、比較、整形后進行計數。其計數值與預置數比較,判斷膠帶的帶速,同時執行電路輸出相應的開關信號。既:在達到低于打滑速度時執行電路輸出相應的開關信號,使主機停機。,使現場操作簡單化并提高了安全性。在鋼鐵、電力、煤礦及港口等有帶式輸送機的行業得到了廣泛的應用。工作原理:速度檢測器水平安裝在上行膠帶和下行膠帶間的輸送機支架上,使出來與膠帶表面有一定的壓力防止發生觸輪跳動而產生的誤動作。速度檢測器無需工作電源即可工作,當膠帶機運行速度低于本產品的設定值時,檢測器重的繼電器動作輸出控制信號,速度可任意調節。
XT-SS-1D皮帶打滑檢測器全國熱銷
XT-SS-1D皮帶打滑檢測器特點
LL-I,LL-II料流檢測器
負載電流:200mA
本公司承諾:誠信待人,我們是生產廠家,做的是批發生意,均以出廠家報價,沒有暴利。低價位,高品質。1年品質保證。
物流:順豐速運、申通快遞、圓通快遞、中通快遞、天天快運、EMS郵政速運及全國公鐵聯運。
HFKPT1-10-45,KPT1-10-45兩級跑偏開關
·速度檢測器采用二線制傳輸,傳輸距離可達2公里,且無需單獨供電。
HFKPT1-12-30,KPT1-12-30兩級跑偏開關
型號
60-23P非接觸式打滑速度檢測器(欠速開關)
環境溫度:-20℃~55℃;
詳細說明
XT-SS-1D皮帶打滑檢測器技術參數 買家必讀 工作方式相當于一個常開、常閉可選擇的無源接點; DH-I打滑開關,DH-II打滑開關,DH-III打滑檢測器 XT-SS-1A,XT-SS-1B,XT-SS-1C,XT-SS-1D 速度打滑檢測器 KLT2-1,KLT2-2雙向平衡拉繩開關
XT-SS-1D皮帶打滑檢測器 可在DC24V,48VDC,DC110V,AC220V 等多種電源系統控制回路中工作。 速度檢測器無方向限制,正反向轉動均可正常檢測; HFKPT1-20-35,KPT1-20-35兩級跑偏開關 ·有通電后延時10秒的輸出功能,非接觸欠速(打滑)開關是一種經濟、可靠性強、對軸轉速及其它旋轉裝置簡單通用的監測裝置。當監測到當前轉速信號低于或高于正常轉速范圍開關輸出一組開關信號,以供報警或停機。外殼采用防水防塵設計可直接安裝在惡劣環境中使用。非接觸接近探測器,壽命長、維護費用低,兩螺栓固定,確保安裝簡單,一體化結構,集中的控制裝置,設定或故障檢修簡單,無運動部件、無磨損、安全壽命長。,以避開機械啟動時的低速度。 ·有0~30秒可設定的報警動作延時功能。 XT-SS-1C 用于DC110V輸入電壓等級 發布時間:2019-12-03 XT-SS系列皮帶速度檢測器具有一個(或二個)1~999轉/分鐘可任意設定的報警點。 XT-SS-1D 用于AC220V輸入電壓等級 XT-SS-I打滑檢測器 收到貨時,無論包裝是否破損,務必當面檢查物品是否完好及缺少,有任何問題,立即與我取得聯系。 已獲點擊:9 XT-SS-1D打滑檢測裝置產品介紹: 檢測范圍: 皮帶帶速0.1 m/s~6.0 m/s; HFKLT2-I,HFKLT2-II雙向拉繩開關 XT-SS-1D打滑檢測裝置產品介紹: 產品型號:XT-SS-1D 可在帶速0.1~6.0m/s 任意設定的一個報警點; XT-SS1-1D(適用AC220V 控制回路) ·速度檢測器有DC110V,DC24V,AC220V等多種電源可供選擇。

![]() |









