XT-SS-1D皮帶打滑檢測器哪家便宜DH-J打滑開關
由于產品型號眾多,我司各種電氣規格型號齊全,有任何需求可以與我公司銷售人員聯系,生產各種規格型號的跑偏開關、拉繩開關、傾斜開關、打滑開關、失速開關、溜槽堵塞開關、聲光報警器、限位開關、磁性開關、撕裂開關、料流開關等產品,產品適用范圍廣,用途多,產品銷售國內外100多個國家和地區,銷售電話:15163766288(微信同號)
速度檢測器無方向限制,打滑開關是一種經濟、可靠性強、對軸轉速及其他旋轉裝置簡單通用的監測裝置,當檢測到目前轉速信號低于或高于正常轉速范圍,開關輸出一組開關信號,以供報警或停機。打滑開關無運動部件、無磨損、安全壽命長,一體化結構,集中的控制裝置,設定或故障檢修簡單。外殼彩用防水防塵的設計兩螺固定殼體,可直接安裝在惡劣環境中使用。面板操作說明打滑開關是氣動元件、礦用電器、接近開關、光電開關、霍爾傳感器、磁性開關、速度傳感器、齒輪傳感器、兩級跑偏開關、雙向拉繩開關、打滑開關、皮帶打滑檢測裝置、料位監測器、速度檢測器、打滑開關、堆煤開關、煤流開關、傾斜開關、撕裂開關、皮帶輸送裝置控制柜、聲光報警器等工控電器,集開發、制造、銷售與一體。,正反向轉動均可正常檢測;
環境溫度:-20℃~55℃;
耗率:< 3VA; ·輸出形式:晶體管輸出;
本公司承諾:誠信待人,我們是生產廠家,做的是批發生意,均以最低出廠家報價,沒有暴利。低價位,高品質。1年品質保證。
XT-SS-1D 用于AC220V輸入電壓等級
工作方式相當于一個常開、常閉可選擇的無源接點;
XT-SS1-1D(適用AC220V 控制回路)
買家必讀
產品型號:XT-SS-1D
LL-I,LL-II料流檢測器
發布時間:2015-12-11
·速度檢測器轉動無方向限制,正反向轉動均可。
XT-SS-1A,XT-SS-1B,XT-SS-1C,XT-SS-1D 速度打滑檢測器
品牌/商標:TUERKE
XT-SS-1D皮帶打滑檢測器特點 我公司專業生產雙向拉繩開關、兩級跑偏開關、打滑開關、縱向撕裂開關、料流檢測器、溜槽堵塞檢測器、速度檢測器、欠速開關、堵煤開關、煤流開關、拉線開關等工控電器。 XT-SS-1D打滑檢測裝置產品介紹:
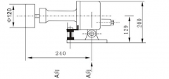
可在DC24V,DC48V,DC110V,AC220V 等多種電源系統控制回路中工作。 XT-SS-1D打滑檢測裝置用于帶式輸送機運行中膠帶與主動滾桶出現打滑(失速)故障。可防止由于打滑所造成的嚴重事故的發生。本機還可以用于多條帶式輸送機的連鎖啟動和停機,低速抱閘或炒熟保護等,使現場操作簡單化并提高了安全性。在鋼鐵、電力、煤礦及港口等有帶式輸送機的行業得到了廣泛的應用。工作原理:速度檢測器水平安裝在上行膠帶和下行膠帶間的輸送機支架上,打滑開關HQZS-001SPT/D工作原理盤隨膠帶運行而旋轉時,傳感器的磁感應信號輸入到控制電路中去,經放大、整形后進行計數。其計數值與預置數比較,判斷膠帶機的帶速,即:正常速度、打滑或超速等。同時,執行電路輸出相應的開關信號。當觸輪隨膠帶機運行而旋轉時帶動機內的脈沖盤,在脈沖盤旋轉時引起的磁感應信號的變化輸入到速度傳感器的控制電路中,經電路放大、比較、整形后進行計數。其計數值與預置數比較,判斷膠帶的帶速,同時執行電路輸出相應的開關信號。既:在達到低于打滑速度時執行電路輸出相應的開關信號,使主機停機。,使出來與膠帶表面有一定的壓力防止發生觸輪跳動而產生的誤動作。速度檢測器無需工作電源即可工作,當膠帶機運行速度低于本產品的設定值時,檢測器重的繼電器動作輸出控制信號,打滑開關是一種經濟、可靠性強、對軸轉速及其他旋轉裝置簡單通用的監測裝置,當檢測到目前轉速信號低于或高于正常轉速范圍,開關輸出一組開關信號,以供報警或停機。打滑開關無運動部件、無磨損、安全壽命長,一體化結構,集中的控制裝置,設定或故障檢修簡單。外殼彩用防水防塵的設計兩螺固定殼體,可直接安裝在惡劣環境中使用。面板操作說明打滑開關是氣動元件、礦用電器、接近開關、光電開關、霍爾傳感器、磁性開關、速度傳感器、齒輪傳感器、兩級跑偏開關、雙向拉繩開關、打滑開關、皮帶打滑檢測裝置、料位監測器、速度檢測器、打滑開關、堆煤開關、煤流開關、傾斜開關、撕裂開關、皮帶輸送裝置控制柜、聲光報警器等工控電器,集開發、制造、銷售與一體。,速度可任意調節。 采用二線制傳輸,無需單獨供電,傳輸距離可達2 公里; HFKLT2-I,HFKLT2-II雙向拉繩開關 物流:順豐速運、申通快遞、圓通快遞、中通快遞、天天快運、EMS郵政速運及全國公鐵聯運。 XT-SS-1B 用于DC48V輸入電壓等級 ·有通電后延時10秒的輸出功能,以避開機械啟動時的低速度。 XT-SS系列皮帶速度檢測器具有一個(或二個)1~999轉/分鐘可任意設定的報警點。 ·速度檢測器有DC110V,DC24V,AC220V等多種電源可供選擇。 ·有0~30秒可設定的報警動作延時功能。 HFKPT1-12-30,KPT1-12-30兩級跑偏開關 詳細說明 XT-SS-2 雙速皮帶速度檢測器,適用于雙速皮帶,可預設兩個動作檢測報警點。 型號 HFKPT1-10-45,KPT1-10-45兩級跑偏開關 XT-SS-1D打滑檢測裝置產品介紹: KLT2-1,KLT2-2雙向平衡拉繩開關 檢測范圍: 皮帶帶速0.1 m/s~6.0 m/s;

XT-SS-1C 用于DC110V輸入電壓等級
XT-SS-1D皮帶打滑檢測器技術參數
可在帶速0.1~6.0m/s 任意設定的一個報警點;
已獲點擊:442
防護等級:IP67;
所屬類別:打滑開關 > 打滑檢測器
DH-I打滑開關,DH-II打滑開關,DH-III打滑檢測器
收到貨時,打滑開關HQZS-001SPT/D工作原理盤隨膠帶運行而旋轉時,傳感器的磁感應信號輸入到控制電路中去,經放大、整形后進行計數。其計數值與預置數比較,判斷膠帶機的帶速,即:正常速度、打滑或超速等。同時,執行電路輸出相應的開關信號。當觸輪隨膠帶機運行而旋轉時帶動機內的脈沖盤,在脈沖盤旋轉時引起的磁感應信號的變化輸入到速度傳感器的控制電路中,經電路放大、比較、整形后進行計數。其計數值與預置數比較,判斷膠帶的帶速,同時執行電路輸出相應的開關信號。既:在達到低于打滑速度時執行電路輸出相應的開關信號,使主機停機。,無論包裝是否破損,務必當面檢查物品是否完好及缺少,有任何問題,立即與我取得聯系。
·速度檢測器采用二線制傳輸,傳輸距離可達2公里,且無需單獨供電。
最大負載電流:200mA
XT-SS--1單速打滑開關可供選擇的型號︰ XT-SS-1A 用于DC24V輸入電壓等級
HFKPT1-20-35,KPT1-20-35兩級跑偏開關
60-23P非接觸式打滑速度檢測器(欠速開關)
![]() |









